
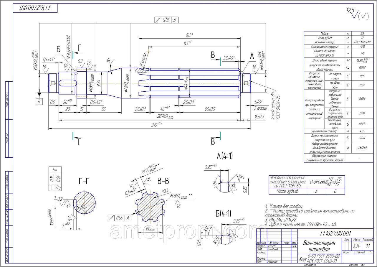
Виготовлення деталей на металооброблювальне обладнання за кресленнями замовника
Ціну уточнюйте
Мінімальна сума замовлення на сайті — 250 ₴
- Послуга
+380 (50) 363-49-11
Олексій Костянтиновичповернення товару протягом 14 днів за домовленістю
ТОВ "Аметпром" виготовить деталі на будь-яке обладнання за кресленнями замовника.
Інформація для замовлення
- Ціна: Ціну уточнюйте
